华体会足球-华体会(中国)
电话: 86 - 755 - 2977 3559
电话: 86 - 755 - 29604615
传真: 86 - 755 - 2960 4572
邮箱: kexiangmold@126.com
sales@cousunmold.com
地址: 深圳市光明新区公明街道西田社
区第二工业区24栋A区
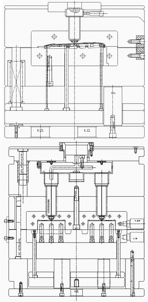
浇注系统是将熔融的塑料从注塑机引到华体会足球-华体会(中国)的每一个型腔的机构,因此其参数和形式的差异均会影响到产品的品质。通过本课学习掌握流道和浇口的设计原则及不同流道及浇口的选择。
一.流道
二.浇口
1.浇口的设计原则
A.浇口应开在产品断面较厚的部位、利于浇注
B.浇口位置的选择,应使溶融料充模流程最短、减少压力损失、
C.浇口位置的选择,尽量避免使溶融料直接冲入型腔,否则会产生漩流、在产品上留下螺旋状痕迹
D.浇口位置的选择,应有利于排除型腔内的空气
E.浇口位置的选择,防止在产品表面产生接合线
F.浇口位置的选择,避免正对细小型芯,使其产生变形
G.大型或遍平薄壁件成型,可采用多浇口来防止翘曲、变形、缺胶。
H.浇口应尽量开在不影响产品外观和装配的部位,并尽量易于修整
I.在型腔能注满的前提下,浇口数目是愈少愈好。
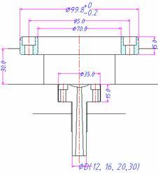
2.侧浇口

适用于大部塑料、各种侧边允许浇口痕迹的制品,开在制品的边缘或边缘顶面,又分标准入水、搭接入水和扇形入水,下图中t为产品壁厚,L一般为(0.8—1mm)
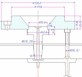
3.点浇口
适用于流动性好的塑料,以及不允许侧浇口,只能在产品表面进胶的产品 ,也可用于
一模多腔的华体会足球-华体会(中国)

4.潜水浇口
适用于外观不允许浇口痕迹及要求自动去除料把的华体会足球-华体会(中国)

弯钩形(又称香蕉形或牛角尖形)浇口
适用于要求自动去除料把:外观不允许浇口痕迹 ; 对一些特殊需要的产品(如产品的内表面没有位置加骨位或骨位不够深)对PMMA等较硬透明料不适用
6.直接浇口:对大型单一型腔产品(如盆、桶、电视机后壳、复印机前后盖等 )成型效果非常好。

三.唧咀
1.普通

2.斜唧咀


3.细水口用唧咀

四.热唧咀
借助加热装置使浇注系统中的塑料不会凝固,也不会随产品脱模,所以又称无流道模。
1.热流道的优点:
A.无废料
B.压力损耗小
C.可缩短成型周期
D.提高产品的质量
2.热流道的不足:
A.华体会足球-华体会(中国)高度增加
B.成本高
C.存在热膨胀,需计算
a。T.E.=A×B×C=预热膨胀补偿
其中A:热咀尺寸
B:温差,即热咀内的料温减模温
C:膨胀系数和钢材的关系:0.00000736cm/℃
b.A1=A+T.E.
其中:A:室温下热咀的长度
T.E.:膨胀长度

五.定位圈
1.定位圈的尺寸参数



2.定位圈与唧咀的安装标准


华体会足球-华体会(中国)是一家专业的塑胶华体会足球-华体会(中国)设计生产工厂,致力于中型汽车华体会足球-华体会(中国), 电子产品, 家电类产品, 家用品, 工业应用, 农业, 医疗器械等产品华体会足球-华体会(中国)设计开发及生产.长期以来, 我们通过给客户提供价格低, 质量好, 交期准的服务, 赢得了海内外客户的一致好评。可以通过我们公司官网(/)查看更多塑胶华体会足球-华体会(中国)产品、塑胶注塑产品、塑料产品等等一些定制华体会足球-华体会(中国)开模。
标题:深圳塑胶华体会足球-华体会(中国)厂家,塑胶华体会足球-华体会(中国)设计浇注系统 网址:/server/show/id/696.html*本站所有相关知识仅供大家参考、学习之用,部分来源于互联网,其版权均归原作者及网站所有,如无意侵犯您的权利,请与小编联系,我们将会在第一时间核实,如情况属实会在3个工作日内删除。 7*24小时免费热线: 13682521790 13714219339
文章关键词:深圳塑胶华体会足球-华体会(中国)厂家,塑胶华体会足球-华体会(中国)开模,深圳塑料华体会足球-华体会(中国)生产扫一扫
添加微信咨询
全国免费服务热线
137-1421-9339